
『足場の名称』について学びたいけれど、種類が多すぎて何から覚えれば良いかわからなくなっているあなたへ。
足場に関する知識を深めたい方は必読です!
鳶職人として働き始めたばかりのあなたは、先輩からの足場についての説明が専門的すぎて理解できなかった経験はありませんか?
なぜなら、足場には多くの専門的な名称と技術が隠れているからです。
経験初めの頃は、何から覚えていけばいいのかさえもわかりづらいですよね?
この記事では、まず押さえておきたい足場の名称の知識である、【次世代足場】【枠組み足場】【単管足場】の3種類の足場について、使用する部材の名称から、その特徴や用途についてもわかりやすく簡単に解説していきたいと思います。
1 押さえておくべき3つの足場の種類
鳶職人が日常的に触れる機会が多いという意味で、まず押さえておくべき足場の名称はこの3つです。
①【次世代足場】 ②【枠組み足場】③【単管足場】
足場の種類別材料一覧

1-1 次世代足場
普及が進み、今では現場での足場の主流になったいわゆる『次世代足場』は最新技術を取り入れた安全性と効率性の高さが大きな特徴です。作業スペースに大きな空間を確保できるので、作業効率が良くなりました。
昔と比べて職人の身長も高くなってきているので、従来品だと少しかがんで作業しなければならないような場面でも、
次世代足場なら作業スペースが広く職人さんが動きやすくなっている為、作業効率が格段にあがります。
大きな建設現場では、ほとんどの現場で、次世代足場が取り入れられています。
次世代足場は、従来よりも安全性と効率性が両立し、現場の工期短縮とコストダウンを実現できると言えます。

1-2 枠組み足場
【次世代足場】がスマホなら、【枠組み足場】はガラケーと例えるように、従来型の足場です。
クレーンを使用することもある為、施工時にスペースを取るので狭い場所や複雑な形状の建物には使用が難しいケースがあります。
1952年にアメリカから輸入されたのが始まりで、インチサイズとメータサイズの2種類があるため、特有の知識が必須であったり正確な設計も要する為、一定の技能と知識を持った作業員が必要です。鋼製の堅固な枠組みを使用して構築されており、非常に安定していますし、足場板を使うことでさらに強固に作れます。
単管足場と比較すると、比較的高く構築でき、耐久性が高いため45m以上の高層建築にも用いることが可能です。
さらには、部材には鋼鉄やアルミニウムなどの素材を使用し部材も多くなるため、他の足場に比べコストがかかります。
1-3 単管足場
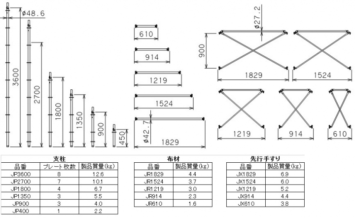
単管足場は、その名の通り「単管」とよばれる一本のパイプ(直径48.6mm)と「クランプ」と呼ばれる金具で組み立て、その他部材は、単管ベース、壁つなぎ、足場板で構成された足場です。
部材のシンプルさから、コストパフォーマンスもよく、短期間の使用や小規模な現場で選ばれることが多いです。また足場の幅や布板の高さが比較的自由に調整できる為、建物と建物の間が狭い現場や、敷地自体が狭い現場で活躍します。
しかしながら、部材のシンプルがゆえ、材料の数が増えてしまい、組み立てや解体には手間がかかるという面もあります。
単管足場の最大積載荷重は、1スパン400kg以下とし、この積載荷重を連続スパンにわたって積載してはいけません。

多くの種類や名称が存在する中で、まずは押さえておきたい『3種の足場の名称』について
『特徴』と『主な用途』を以下の図表に簡単にまとめてみました。
1【次世代足場】の主要な部材名称一覧

1-1 脚部(ベース金物) →ジャッキベース

- 『高さ調節』:ジャッキベースは地面の凹凸や傾斜に対応して、足場全体の水平を保つために使用されます。スクリュー式の構造を持ち、回転させることで、長さを調節できるため、
地面と足場の間の高さを適切に調整することができます。 - 『安全性の確保』:ジャッキベースは足場の安定性を確保する重要な要素です。地面と足場の間に適切な隙間を保ちつつ、足場全体の安定性を支える役割があります。
- 『荷重支持』:ジャッキベースは、足場にかかる荷重を地面に伝え、支持する役割も果たします。これにより、作業員や機材の重みを安全に支えることができます。
1-2 支柱(建地材) →専用支柱


- 基本構造の形成:専用支柱は足場の骨くみを形成し、他の部材と組み合わせて全体の構造を支えます。
- 安全性の確保:専用支柱は、地面と足場の間の安全性を確保し、作業員の安全を保障します。
- 効率的な組立:組立や分解が効率的に行えます。
1-3 専用先行手摺りブレス材


- 転落防止:先行手摺ブレスは、作業員が足場の上で作業する際の転落を防ぎます。
- 安全性の確保:ブレスは足場の構造を強化し、安全性を向上させます。
- 効率的な作業:先行して設置されるため、作業員は安全にかつ効率的に作業を進められます。
1-4 筋交いブレス(布材と一体型)→『専用先行手摺ブレス材』

筋交いとして、足場の構造を強化します。作業員が足場を組み立てる際に先に取り付けることができるので、組立作業中も作業員は手摺に
掴まることができ、転落事故のリスクが大幅に減少します。
ちなみに、ブレス材が筋交いとして足場の構造を強化できる理由は、その『構造』と『配置』にあります。
三角形の力学
ブレス材は、足場のフレームを三角形に分割します。三角形は幾何学的に安定した形状であり、外力が加わった際に変形しにくい特性があります。 これにより、ブレス材は足場 全体の安定性と剛性を向上させます。
外力の分散
ブレス材が斜めに配置されることで、足場にかかる垂直方向や水平方向の力を、ブレス材が受け止めて分散します。
これにより一点に集中することなく、外力が足場全体に均等に分散され、足場の安定性が保たれます。
振動の抑制
作業員が足場の上を歩いたり、作業機械が動作することで発生する振動も、ブレス材が吸収し、足場の揺れや 振動を抑制します。
これにより、作業員は安定した環境で作業を行うことができます。以上のように、ブレス材は三角形の安定性を利用し、外力の分散や振動の抑制を行うことで、足場の構造を強化し、安全で堅固な作業環境を提供します。
1-5 作業床材としての『アンチ』

アンチは、滑りにくい表面加工がされた作業床材です。これにより、作業員が足場の上で作業する際、滑って転倒するリスク が軽減されます。安全性が高く、雨天時でも滑りにくいのが特徴です。
2【枠組み足場】の主要な部材名称一覧

2-1 脚部(ベース金物)→ジャッキベース
足場の最下部に使用し、高さ調整地面の不均一な部分を補正し、足場全体の水平を保つことができます。
足場の重量を広い範囲に分散させ、地面への圧力を均一にします。これにより、地面が柔らかい場所や、
荷重による地面の沈下を防ぐ必要がある場所での使用に適しています。

2-2 支柱(建地材)→建枠(たてわく)
鳥居型建枠

梯子型建枠

枠組み足場で使用される建枠は、あらかじめ組み立てられた枠を現場に運び、組み立てることで時間の短縮と効率化が図られます。
しかし、形状が固定されているため、現場の条件によっては適応が難しい場合があります。
2-3 布材として使用される『下桟』

足場の基本構造の一部であり、安全性を確保するために重要な役割を果たします。
- 安定性の確保:下桟は、足場の水平方向の安定性を確保します。これにより、足場が外力(風圧、作業員の動きなど)に対して強固になり、作業員の安全が保たれます。
- 荷重支持:下桟は、作業員や作業機材の重さを支持し、地面へと伝達します。これにより、足場が均等に荷重を分散させることができ、崩れるリスクを軽減します
2-4 筋交い(ブレス) → 筋交い(ブレス材)

筋交いは、足場の横方向の動きを抑制し、風圧や作業中の荷重による揺れを防ぎ足場が倒れるリスクを減少させます。
三角形の形成による強度の向上:筋交いは、足場の各セクションに三角形の構造を作ることで強度が強く、足場を使用する際に発生する振動を減少させ、作業中の安全性を向上させます。
2-5 作業床材として使用される『アンチ』

枠組み足場でもアンチが使用されます。アンチは滑りにくい特性を持つため、様々な足場で作業床材として利用されます。
作業員の安全を確保するために重要な部材です。
3 【単管足場】の主要な部材名称一覧

主要な部材名称一覧
3-1 脚部(ベース金物)→固定ベース

固定ベース
単管足場に使用するベース用の足場材です。足場の最下部に配置され、足場の支柱が直接地面に接触することなく、しっかりとした基盤を提供します。これにより、足場全体の安定性が保たれます。また広い面積をもっていることで、足場からの荷重を広い範囲に分散させることができ、地面の沈下などによる足場の傾きを防ぎます。
3-2 支柱(建地材)として使用される『 単管パイプ』

足場の基本構造を形成し、荷重を地面に伝達する役割を果たします。足場全体の安全性と強度を確保するために不可欠であり、
作業員や機材の重量を支えます。
3-3 布材として使用される『単管パイプ』

『単管パイプ』を使って、足場の『床』を作ります。作業員が立ったり歩いたり、物を置くための部分です。
足場の水平方向と斜方向の安定性を確保する役割があります。横菅は足場の横方向の強度を確保し、斜菅は、足場が外力(風 圧など)に対して安定していることを保証します。
3-4 筋交い(ブレス)として使用される『単管パイプ』

筋交い(ブレス)は、足場の『サポーター』のようなものです。
サッカーや野球のゴールポストやバックネットには、ポールが斜めについていて、これがないとネットは倒れてしまいますよね。
筋交い(ブレス)も同じで、これがあることで足場はしっかりと立って、作業員が安全に作業できるのです。
また、風が強く吹いた時や、重い荷物を載せた時でも、筋交い(ブレス)は、足場を安全に使うためにとても大切な部分です。
3-5 作業床材として使用される『足場板』

足場板は、作業員の重さや作業中に使用する道具、材料の重さに耐えられるように、強度と耐久性があります。
単管パイプに簡単に取り付けられ、位置の調整も容易です。これにより、作業床の面積を柔軟に変更できます。
足場板がしっかりと設置されていることで、作業員は高所でも安心して作業ができます。
4 どの足場にも使う共通部材

4-1 『クランプ』

『クランプ』は、足場のパイプ同士を固定するための部品です。ネジを締めることで、パイプ同士をしっかりと固定し、足場の安定性を保ちます。
4-2『ジョイント』

『ジョイント』は、異なる部分や角度のパイプをつなげるための部品です。これにより、足場の形状を自由に組み立てることが できます。
4-3 昇降階段

『昇降階段』は足場の異なる高さの階層間を移動するための階段です。これにより、作業員は安全に上下移動ができます。
4-4 ブラケット

『ブラケット』は、足場の外側に取り付けて作業スペースを拡張する部分です。これにより、作業員がより広いエリアで作業ができます。
4-5 壁繋ぎ

壁繋ぎは足場を建物の壁に固定するための部品です。これにより、足場が安定し、作業員の安全が確保されます。
4-6 ネット・シート

『ネット・シート』は、足場の周りに取り付けて、落下物の防止や風雨からの保護をするためのものです。
これにより、作業の安全性と快適性が向上します。
まとめ
主要な足場の種類である、次世代足場、枠組み足場、単管足場はそれぞれ特徴が異なり、適切な部材の名称をきちんと理解することがとても大切です。
建設現場で新しく働き始めた鳶職人たちが足場の組立に使用される部材の名称について、用途や役割を正しく理解しやすいように
主要な足場ごとに写真付きでわかりやすく解説しました。
足場の名称の役割を正しく理解することは、安全で効率的な建設現場にとって重要だと言えるでしょう。

コメント